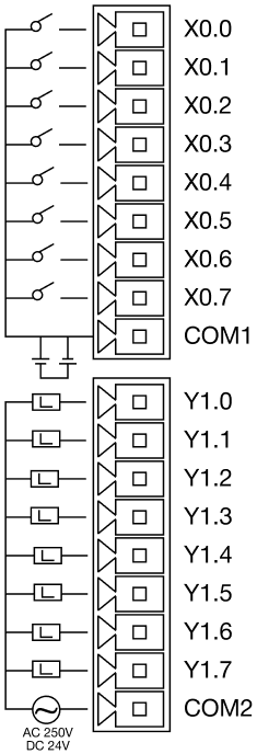
CM3 ModulesCPUPlusWiring GuideOn this pagePLC-S Plus CPU Series Pin MapPlus CPU I/O Pin Map The following are I/O pin maps for the CM3-SP16PDRF, CM3-SP32PDTF, and the CM3-SP32PDCF. CM3-SP16PDRF Relay output CM3-SP32PDTF Sinking output CM3-SP32PDCF Sourcing output