Skip to main content

PLC-S Mini Modular CPU Series I/O Pin Map

Mini Modular CPU I/O Pin Map

The following are I/O pin maps for the CM3-SP16MDTF, CM3-SP16MDCF, CM3-SP16MDRF, CM3-SP16MDRV, CM3-SP32MDTF, and CM3-SP32MDCF.

CM3-SP16MDTF


Sinking output

CM3-SP16MDCF


Sourcing output

CM3-SP16MDRV


Relay output (no embedded Ethernet)

CM3-SP16MDRF


Relay output (with embedded Ethernet)

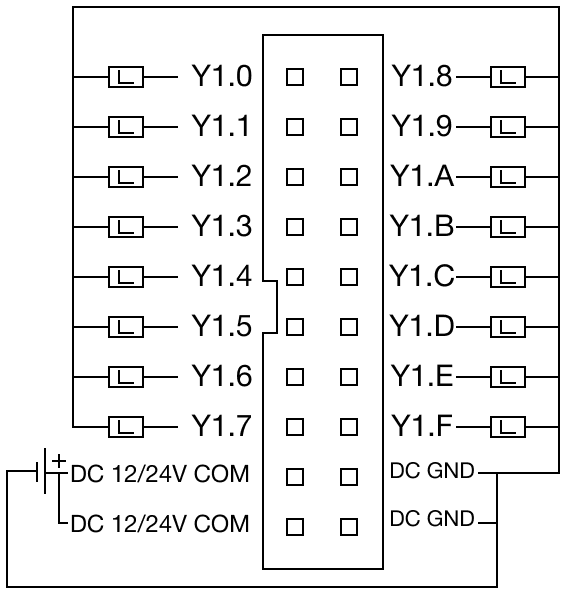
CM3-SP32MDTF & CM3-SP32MDCF

Input


Universal (sinking and sourcing) input

CM3-SP32MDTF Output


Sinking output

CM3-SP32MDCF Output


Sourcing output