CM3 AD/DA Module Wiring Guide
CM3-SP04EAA
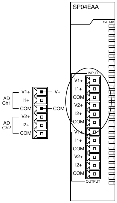
Voltage
Input
![]()
| CM3-SP04EAA Voltage Input Wiring | |||
|---|---|---|---|
| Channel | + Terminal | - Terminal | |
| Input | AD Channel 1 | Terminal 1 | Terminal 3 |
| AD Channel 2 | Terminal 4 | Terminal 6 | |
| Ext. 24V | Connection on bottom of module | ||
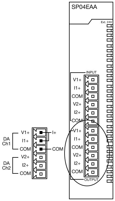
Output
![]()
| CM3-SP04EAA Voltage Output Wiring | |||
|---|---|---|---|
| Channel | + Terminal | - Terminal | |
| Output | DA Channel 1 | Terminal 7 | Terminal 9 |
| DA Channel 2 | Terminal 10 | Terminal 12 | |
| Ext. 24V | Connection on bottom of module | ||
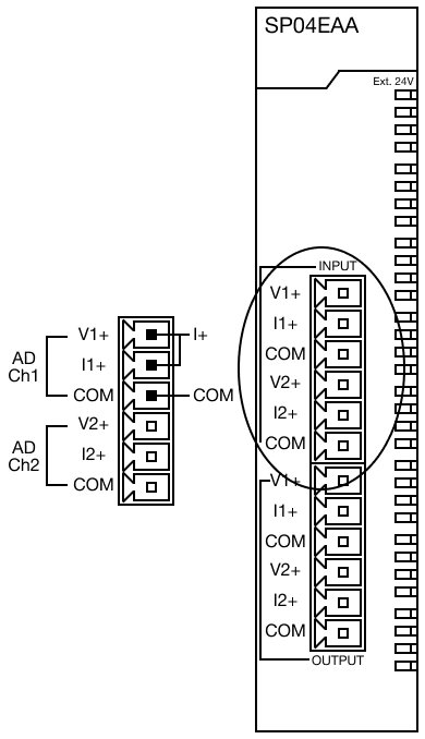
Current
Input
![]()
| CM3-SP04EAA Current Input Wiring | ||||
|---|---|---|---|---|
| Channel | + Terminal | - Terminal | Connection | |
| Input | AD Channel 1 | Terminal 1 | Terminal 3 | Connect 1-2 |
| AD Channel 2 | Terminal 4 | Terminal 6 | Connect 4-5 | |
| Ext. 24V | Connection on bottom of module | |||
Output
![]()
| CM3-SP04EAA Current Output Wiring | |||
|---|---|---|---|
| Channel | + Terminal | - Terminal | |
| Output | DA Channel 1 | Terminal 8 | Terminal 9 |
| DA Channel 2 | Terminal 11 | Terminal 12 | |
| Ext. 24V | Connection on bottom of module | ||