CM3 AD Module Wiring Guide
CM3-SP04EAO
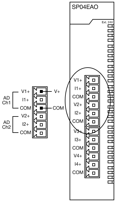
Voltage Input Wiring
![]()
| CM3-SP04EAO Voltage Wiring Guide | ||
|---|---|---|
| Channel | Positive (+) Terminal | Negative (-) Terminal |
| Channel 1 | Terminal 1 | Terminal 3 |
| Channel 2 | Terminal 4 | Terminal 6 |
| Channel 3 | Terminal 7 | Terminal 9 |
| Channel 4 | Terminal 10 | Terminal 12 |
| 24V External | Connection on bottom of module | |
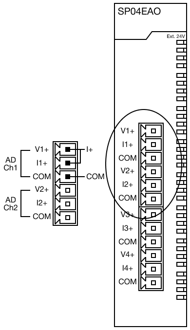
Current Input Wiring
![]()
| CM3-SP04EAO Voltage Wiring Guide | |||
|---|---|---|---|
| Channel | Positive (+) Terminal | Negative (-) Terminal | Connection |
| Channel 1 | Terminal 1 | Terminal 3 | Connect 1-2 |
| Channel 2 | Terminal 4 | Terminal 6 | Connect 4-5 |
| Channel 3 | Terminal 7 | Terminal 9 | Connect 7-8 |
| Channel 4 | Terminal 10 | Terminal 12 | Connect 10-11 |
| 24V External | Connection on bottom of module | ||
CM3-SP08EAO
![]()
| CM3-SP08EAO Wiring Guide | |||
|---|---|---|---|
| Channels | Positive (+) Terminal | Negative (-) Terminal | Measures |
| Channel 1 | Terminal 1 | Terminal 2 | Switch V: Voltage Switch I: Current |
| Channel 2 | Terminal 3 | Terminal 4 | |
| Channel 3 | Terminal 5 | Terminal 6 | |
| Channel 4 | Terminal 7 | Terminal 8 | |
| Channel 5 | Terminal 9 | Terminal 10 | |
| Channel 6 | Terminal 11 | Terminal 12 | |
| Channel 7 | Terminal 13 | Terminal 14 | |
| Channel 8 | Terminal 15 | Terminal 16 | |
| External 24V | Connection on bottom of module | ||